
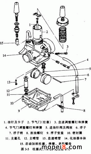
柱塞式(VM型)化油器零件
進油針閥和閥座
檢查進油針閥密封錐面上是否有劃痕、磨損等情況,如圖所示:

節氣門(柱塞)組件拆裝
若有輕微的磨損情況,可用氣門研磨膏將針閥放置于閥座上進行研磨,直到劃痕消除,使針閥恢復原來的密封狀態。若針閥已形成臺階性磨損,應成套更換針閥和閥座。
浮子
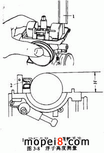
檢查浮子是否已經破損,若有破損、內已進入汽油,已完全失去浮力,則應將化油器本體底部朝上,將浮子、進油針閥裝入,再插入浮子銷,用深度尺測量浮子高度。如圖所示:
1-游標卡尺,2-調整舌片加速泵
將加速泵膜片唇部與浮子室槽對準化油器,把彈簧和加速泵蓋裝于浮子室上。裝上安裝螺釘,注意用手壓緊加速泵蓋、壓縮彈簧時要使膜片平整,不得起凸或不平,然后再對角地擰緊螺釘。再檢查加速泵柱塞運動是否靈活。
空氣截斷閥
將膜片和空氣截斷閥組件裝于化油器本體上,把O形圈平的一面朝化油器內側裝入化油器本體內,再把彈簧和空氣截斷閥蓋裝于化油器本體上,用手推壓閥蓋,擰緊安裝螺釘時要使膜片、O形圈平整。
自動起動加濃器
將自動起動加濃器裝入定位板,將加濃器裝入化油器孔中,注意其安裝角度,裝好安裝螺釘。
真空柱塞
將油針插入主噴管孔中,將真空柱塞裝入化油器本體孔內,推壓真空柱塞使膜片外緣凸起對準化油器本體凹槽內,用手指在喉管中托起柱塞底部,如圖所示,裝入柱塞彈簧,將真空室蓋我緣凸起正對準化油器本體的凹槽后,向下垂直地推壓真空室蓋,使彈簧壓縮后,迅速地裝好安裝螺絲。注意防止膜片凸起或被擠出,應使膜片平整密封好。






