|
關注及時獲取摩配廠家資料
重慶松明機電有限公司供應摩托車電子點火器、摩托車調壓整流器、啟動繼電器、點火線圈、摩托車磁電機線圈,更多電子點火器等相關產品,歡迎聯系。
|
||||||||||||||||||||||||
技術要求
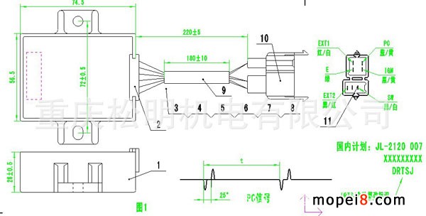
1.產品外形安裝及接口尺寸如圖1所示

2.點火器規格:
① 點火方式:SRC放電式
② 點火電容:2.2uF/400V
3.一般性能:測試線路如圖2、SM007E磁電機、SMJL351調壓器、
磁電機凸臺于傳感器間隙0.7%p0.1mm
① 最低連續點火轉速:≤300r/min(三針6mm)
② 連續點火轉速范圍:≤300r/min~11000r/min(三針6mm)
③ 點火器充電峰值電壓(接點火器EXT2端/黑紅):
300r/min ≥160V、 300-10000r/min ≤280V、10000≥180V。
④ 點火器的EXT1端/紅/白在點火器正常點火時波形應是較規則的、
幅值6V的方波。
⑤ 點火提前角特性曲線如圖3

⑥ K1閉合( 熄火端SW接地),點火器應不點火
4.點火器外觀要求:
① 接口引線整齊(符合圖1尺寸要求)、線卡端正的卡在外殼上;
② 封裝表面應光潔,無裂紋和其它異物;
③ 封裝物與殼體粘接良好,無間隙,且應完全覆蓋元器件;
④ 封裝表面高度應不超過殼體高度,且形成凹月面;
⑤ 殼體、接插器、外接引線等表面應無封裝物等其它附著物;
5.點火器絕緣電阻應>1MΩ(用500V兆歐表測量)
6.其它技術要求符合摩托車JB/T8123.1~8123.2-1999標準